


1/4"=6.35mm | 1/2M= 12.70mm | 1"=25.40mm |
3/8"=9.52mm | 3/4M= 19.05 mm | 1.1/4"=31.75mm |
| 焊接三通管 | |||||
零件编号 | 规格尺寸 | A(mm) | B(mm) | C(mm) | D(mm) |
RST4T | 1/4"(6.35) | 2.21(48.54) | 19.05 | 0.25(4.18) | 1.02(23.62) |
RST6T | 3/8"(9.53) | 2.51(63.77) | 24.05 | 0.25(6.38) | 1.02(25.91) |
RST8T | 1/2"(12.70) | 2.82(71.68) | 25.40 | 0.39(9.84) | 1.36(34.54) |
RST12T | 3/4"(19.05) | 4.06(103.18) | 36.51 | 0.62(15.87) | 2.03(51.59) |
RST16T | 1"(25.40) | 4.28(108.74) | 37.52 | 0.87(22.22) | 2.14(54.37) |
RST18T | 1-1/4"(31.75) | 4.47(113.63) | 37.21 | 1.12(27.78) | 2.01(51.08) |
RST20T | 1-1/2"(38.10) | 4.47(113.63) | 33.28 | 1.35(33.73) | 2.24(56.91) |
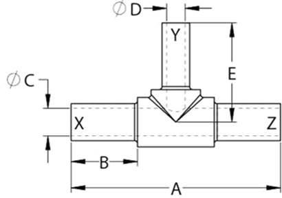
| 焊接三通变径管 | ||||||||
零件编号 | 尺寸-X | 尺寸-Y | 尺寸-X | A | B | C | D | |
RST6TS-4TS-6T | 3/8"(9.53 | 1/4"(6.35) | 3/8"(9.53 | 2.51(63.77) | 24.05 | 6.38 | 3.98 | |
RST8TS-4TS-8T | 1/2"(12.70) | 1/4"(6.35) | 1/2"(12.70) | 2.82(71.68) | 25.40 | 9.84 | 4.14 | |
RST8TS-6TS-8T | 1/2"(12.70) | 3/8"(9.53) | 1/2"(12.70) | 2.82(71.68) | 25.40 | 9.84 | 6.56 | |
RST12TS-4TS-12T | 3/4"(19.05) | 1/4"(6.35) | 3/4"(19.05) | 4.06(103.18) | 36.51 | 15.87 | 3.98 | |
RST12TS-6TS-12T | 3/4"(19.05) | 3/8"(9.53) | 3/4"(19.05) | 4.06(103.18) | 36.51 | 15.87 | 6.34 | |
RST12TS-8TS-12T | 3/4"(19.05) | 1/2"(12.70) | 3/4"(19.05) | 4.06(103.18) | 36.51 | 15.87 | 9.53 | |
RST16TS-8TS-16T | 1"(25.40) | 1/4"(6.35) | 1"(25.40) | 4.28(108.74) | 37.52 | 22.22 | 9.53 | |
RST16TS-4TS-16T | 1"(25.40) | 1/2"(12.70) | 1"(25.40) | 4.28(108.74) | 37.52 | 22.22 | 4.25 | |
RST16TS-12TS-16T | 1"(25.40) | 3/4"(19.05) | 1"(25.40) | 4.28(108.74) | 37.52 | 22.22 | 15.87 | |
RST18TS-16TS-18T | 1-1/4"(31.75) | 1"(25.40) | 1-1/4"(31.75) | 4.47(113.63) | 37.20 | 27.78 | 21.92 | |
RST20TS-18TS-20T | 1-1/2"(38.10) | 1"(25.40) | 1-1/2"(38.10) | 4.47(113.63) | 33.29 | 33.72 | 27.90 | |
RST20TS-16TS-20T | 1-1/2"(38.10) | 1-1/4"(31.75) | 1-1/2"(38.10) | 4.47(113.63) | 33.29 | 34.30 | 22.25 | |
内容为空!